Feistiú PVC 45 Céim, T-Píosa Muff PVC 32mm PN16



11 díolta sa dheireanach 24 uaireanta
Feistiú PVC-U 45° T-Píosa Muff – An Nasc Solúbtha do do Chóras Píopaí
Le ár bhfeistiú PVC-U 45° T-Píosa Muff, is féidir leat córais phíopaí gairmiúla agus buana a chruthú go héasca. Tá sé idéalach le haghaidh tógáil linnte, locháin agus linn snámha, chomh maith le feidhmeanna tionsclaíocha. Foghlaim níos mó faoi na sonraíochtaí teicniúla, na buntáistí agus na feidhmeanna a bhaineann leis an bhfeistiú solúbtha seo.
Sonraíochtaí Tábhachtacha
Cuireann ár bhfeistiú PVC-U 45° T-Píosa Muff réiteach láidir agus ceimiceán-resistant ar fáil do do chórais phíopaí. Le trastomhas 32 mm agus neart brú PN16, tá sé idéalach le haghaidh feidhmeanna éilitheacha. Cén fáth go bhfuil sé seo tábhachtach duitse: Faigheann tú nasc iontaofa a sheasann go buan, fiú faoi dhálaí deacra.
Sonraíochtaí Teicniúla
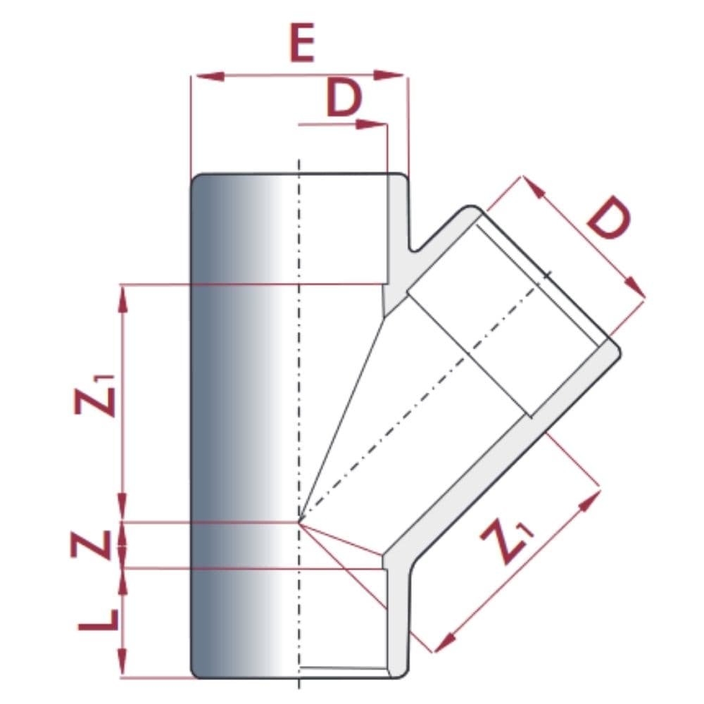
Ábhar | PVC-U (PVC Crua) |
Trastomhas (D) | 32 mm |
Trastomhas Ainmniúil (DN) | 25 |
Leibhéal Brú (PN) | PN16 (16 bar ag 20°C) |
Uillinn | 45° |
Deimhniú | ISO 9001 |
Gnéithe Táirge agus Buntáistí
- Éadrom: Éascaíonn an meáchan íseal an tionól agus an láimhseáil.
- Próiseáil Éasca: Is féidir na codanna a ghluáil le chéile go héasca trí tháthú spriongaí.
- Frithsheasmhach in aghaidh scríobtha agus réidh: Tá an t-ábhar buan agus resistant.
- Frithsheasmhach in aghaidh ceimiceán: Frithsheasmhach in aghaidh raon leathan ceimiceán. Dá bhrí sin, is féidir leat a bheith cinnte go bhfuil do shuiteáil sábháilte fiú faoi dhálaí deacra.
- An-láidir: Seasann sé fiú brúnna arda.
- Gan aon chreimeadh: Tá PVC-U saor ó chreimeadh agus ráthaíonn sé saolré fada.
- Séala Foirfe: Ráthaíonn sé séala foirfe fiú faoi dhálaí troma.
- Ilúsáideach: Idéalach le haghaidh tógáil linnte, locháin, linn snámha, uisceadán agus feidhmeanna tionsclaíocha.
Buntáistí thar Ábhair Eile
- Meáchan níos ísle ná miotal: Níos éasca a iompar agus a shuiteáil.
- Gan aon chreimeadh i gcomparáid le miotal: Saolré níos faide gan meirge a fhoirmiú.
- Próiseáil níos éasca ná gloine: Gan aon bhaol briste, níos éasca a ghearradh.
- Níos saoire ná cruach dhosmálta: Réiteach costéifeachtach le haghaidh go leor feidhmeanna.
- Níos frithsheasmhaí in aghaidh ceimiceán ná go leor plaistigh: Ilúsáideach.
- Saolré Fada: Réiteach láidir agus buan.
- Suiteáil Éasca: Tionól tapa agus neamhchasta.
Conas a Úsáid – Céim ar Chéim
- Céim 1: Ullmhúchán – Cinntigh go bhfuil na foircinn píopa glan agus tirim.
- Céim 2: Gearradh – Gearr na píopaí go dtí an fad ceart más gá.
- Céim 3: Glanadh – Glan na dromchlaí greamaitheacha le glantóir PVC.
- Céim 4: Gliúáil – Cuir gliú PVC i bhfeidhm ar thaobh istigh den mhuinchille agus ar dheireadh na píopa.
- Céim 5: Cruinniú – Cuir an píopa isteach sa mhuinchille agus cas é beagán chun an gliú a dháileadh.
- Céim 6: Leigheas – Lig don nasc leigheas de réir threoracha an mhonaróra gliú.
Ceisteanna Coitianta (FAQ)
An bhfuil an T-Píosa oiriúnach d’uisce óil?
Níl an T-Píosa deimhnithe go sainráite le haghaidh feidhmeanna uisce óil. Seiceáil le do thoil na ceanglais shonracha do d'fheidhmchlár.
Cé chomh resistant atá an t-ábhar d’aigéid?
Tá PVC-U resistant do go leor aigéid, ach ní do gach ceann acu. Seiceáil le do thoil an fhriotaíocht i gcoinne an aigéid shonraigh atá uait a úsáid.
An féidir liom an T-Píosa a úsáid lasmuigh?
Sea, tá PVC-U resistant ó UV agus is féidir é a úsáid lasmuigh. Mar sin féin, d’fhéadfadh athruithe beaga datha a bheith ann tar éis nochtadh fada do sholas díreach na gréine.
Cén gliú ba chóir dom a úsáid?
Bain úsáid as gliú speisialta PVC le haghaidh nasc buan agus daingean.
An bhfuil an T-Píosa oiriúnach freisin do theochtaí níos airde?
Tá PVC-U oiriúnach do theochtaí suas le 60°C ar a mhéad. Molaimid ábhair eile le haghaidh teochtaí níos airde.
Cén fáth a cheannach uainn?
- Roghanna Leathana: Faigh gach rud atá uait do do chóras píopaí ag Boni-Shop.
- Cáilíocht Ard: Ní iompraímid ach táirgí ó mhonaróirí roghnaithe.
- Loingseoireacht Thapa: Seachadtar d’ordú go tapa agus go hiontaofa.
- Comhairle Pearsanta: Táimid sásta cabhrú leat na táirgí cearta a roghnú.
Cuireann Boni-Shop rogha chuimsitheach de feistis agus gabhálais PVC ardchaighdeáin ar fáil le haghaidh tógáil phíblíne ghairmiúil. Bain leas as ár dtaithí fhada agus as ár seirbhís den scoth do chustaiméirí.